
局部喷氨过量,是造成燃煤锅炉空预器堵塞的主要原因之一,实际是由于SCR入口氨氮摩尔比分布不均匀造成的。为更精准的评估及优化氨氮摩尔比,本文提出了一种利用热湿法多点多组分激光气体分析系统,同时测量SCR催化剂出口端NOx和NH3的方案。该方案可以用来更精准的评估实时脱硝效率、脱硝催化剂寿命以及优化SCR入口氨氮摩尔比,结合精准分布式喷氨方案,可以有效降低局部喷氨过量,喷氨消耗,缓解空预器堵塞,延长催化剂的使用寿命,对于燃煤电厂的脱硝系统优化具有积极意义。
作者:张国鑫(浙江省浙能技术研究院)、邹正伟(浙江省浙能技术研究院)、陈彪(浙江省浙能技术研究院)、王胤*(宁波海尔欣光电科技有限公司/浙江清华长三角研究院)
SCR脱硝出口的高精度氨氮同时测量方案 及对喷氨优化控制的意义
一
SCR背景介绍
燃煤锅炉烟气排放所含的氮氧化物,是空气污染的重要前体物,控制燃烧锅炉烟气排放的氮氧化物(NOx)总量是各国环保法规的重点。选择性催化还原(SCR,Selective Catalyst Reduction)是目前烟气脱硝的主流技术。通过在烟气中注入还原剂氨或尿素的热解水溶液,其主要成分NH3在催化剂的作用下选择性的(不发生NH3的氧化反应)与烟气中的NOx(其中95%是NO)发生化学反应,生成对环境无害的N2和H2O。
主要化学反应式为: 4NH2+4NO+O2→4N2+6H2O,当脱硝效率为80%时的氨氮摩尔比约为0.8。其中催化剂的主要成分为:V2O5-WO3/TiO2,最佳催化反应温度区间为280摄氏度至420摄氏度之间。由于氨氮不完全反应或者催化剂模块安装不够密封,有一些剩余的NH3逃逸出催化剂层,这些催化反应完成后烟气中剩余的NH3体积浓度,就被称为氨逃逸(Ammonia Slip)。氨逃逸量是衡量SCR运行健康状况最重要指标之一。
二
燃煤电厂SCR脱硝系统的常见问题-氨逃逸造成空预器堵塞严重
对于欧美日等国的燃气电厂,氨逃逸量主要是排放限制的问题。然而,对于以燃煤为主要能源的我国电厂,氨逃逸的高低影响着脱硝过程的成本,过量喷氨不仅仅不会提高脱硝效率,反而会与烟气中的SO3反应生成硫酸氢铵(AmmoniumBisulfate, 简称ABS),ABS在一定温度区间呈高粘性液态物质,尤其是低温低负荷运行状态下,由于没有有效的氨逃逸监测手段,极易造成喷氨过量,使得大量ABS凝结于SCR下游空预器换热面的冷端,吸附烟气中的粉尘形成板结状铵盐,大大降低了空预器的换热效果。严重时造成空预器堵塞,引风机负荷上升甚至失速,影响锅炉的运行安全和燃烧效率。电厂必须停炉清洗空预器,造成较大的经济损失。
三
脱硝出口氨逃逸,NOx测量的难点
由于氨逃逸的设计建议上限仅为3ppm,氨分子的表面吸附效应和水溶解度非常强,决定了测量仪器最好是在原位,或距离测量点越近越好,以避免样气传输管线过长造成采样误差。另外,仪器不可采用冷凝除水装置以免氨溶解于水中或铵盐遇冷堵塞仪器,因此不同于CEMS系统需要除水,当前氨逃逸测量的主流方法是激光光谱法,主流的产品形态包括单侧式,对穿式,以及单点抽取式。由于测量点均为烟道截面内某一处的氨逃逸,其测量结果不具代表性,无法获取整个烟道截面上的平均氨逃逸量,常常是测量点的氨逃逸符合设计上限,而其他区域氨逃逸超标,无法反映在氨逃逸测量结果中。
另外,由于大多数国有电力集团采购的氨逃逸分析仪表主要是来自于欧美厂商,这些进口产品主要是针对国外天燃气锅炉脱硝工况设计的,无法有效克服我国燃煤锅炉烟气高粉尘、高ABS沉积等更为复杂严重的工况,多数进口氨逃逸分析仪无法达到标称精度值,无法连续在线监测有效的氨逃逸数据。目前国内大多数电厂对氨逃逸量的评估,是根据脱硝入口和出口的NOx测量结果,以及SCR过程理论模型间接推算出来的。而这一间接算法对脱硝入口和出口NOx测量的准确度、实时性和代表性提出了更高的要求。
脱硝出口NOx的持续性测量主要是基于非色散红外(NDIR)或紫外(DOAS)光谱法的CEMS仪表,此类仪表由于烟气中水份存在光谱重叠干扰,需要在烟气预处理中先冷凝除水,再进行干基测量。由于受环境温度和振动等因素的影响,CEMS仪表只能置于距离现场较远的环境稳定的小屋里,对于实现分布式多点测量,需要搭建多股长达数十米的采样管线,有较高的施工难度,且易造成采样实时性问题,因此脱硝出口NOx的测量结果,大多参考烟气排放口的CEMS仪表,无法反映整个截面浓度分布的特性;另外,处于分析小屋中的冷干法NOx测量仪表一般是独立采样做预处理,很难与热湿法激光氨逃逸测量共用一套采样预处理装置,对于烟道截面同一点处的氨氮摩尔比的分析,失去实际价值。近年来,基于电化学原理的便携式测量仪被作为脱硝出口NOx分布网格法测量的仪器,但这种便携式的测量仪器只适合于做人工短期测量(由于样气冷凝除水这一步,长期测量很容易形成管路铵盐沉积),对于锅炉负荷变化情况下的喷氨优化,则需要一种更适合长期运行,可靠的分布式测量方案。
四
氨氮摩尔比分布均匀性的意义
影响SCR脱硝系统性能的关键参数包括:脱硝入口处烟气流场的均匀性,反应器温度场均匀性,NOx浓度分布的均匀性,催化剂活性分布的均匀性,以及氨氮摩尔比分布的均匀性。烟气流场,温场以及NOx浓度分布的均匀性,主要经由CFD流场仿真,冷态测试,初始烟道设计,导流板结构布置决定,但在实际工况由于燃烧场的温度差异这些参数与初始设计差异较大。例如,图1显示了根据网格法,用TH-880F烟尘采样仪,对浙能某电厂3#炉SCR进口甲乙两侧烟道流场的测试结果。很明显甲乙两侧流场均匀性都不佳,且投运后较难进行有效调整。
图1、 SCR进口流场测试(上图:甲侧;下图:乙侧;单位:m/s)
而催化剂活性分布的均匀性,一方面由催化剂生产质量决定,另一方面由脱硝运行中流场和NOx浓度分布的均匀性决定,因此上述各均匀性参数,除氨氮摩尔比分布的均匀性以外,在脱硝设备投产后均难以进行有效的改善,且NOx浓度分布均匀性随机组负荷变化,有较大改变。例如,浙能某电厂#2机组负荷1000MW时,在脱硝A侧出口人工测试断面,按网格法布点采样测定NOx浓度(均为NOx折算浓度,mg/Nm3),测试结果如下表1。
表1 脱硝出口A断面NOx浓度测试结果(1000MW工况)
将表1结果转化为NOx浓度等高线图如图2。
图2 脱硝出口A断面NOx浓度分布图
(1000MW工况)
A侧,下-炉膛,上-电除尘侧
同一机组负荷750MW时,在脱硝A侧出口测定NOx浓度,测试结果如表2。
表2 脱硝出口A断面NOx浓度测试结果
(750MW工况)
将表2结果转化为NOx浓度等高线图如图3。
图3 脱硝出口A断面NOx浓度分布图
(750MW工况)
A侧,下-炉膛,上-电除尘侧
在流场及NOx浓度分布不均的情况下,需要将喷氨分布调整不均,使得氨氮摩尔比的分布均匀性在不同机组负荷条件下提升,才能有效降低氨逃逸,提高脱硝效率。这是可以在脱硝设备投产后进行优化改善的参数,因此也是脱硝系统可以优化的核心参数。理论上,烟道截面各点的喷氨量应是根据喷口覆盖区域的烟气流量、NOx浓度,依照最佳氨氮摩尔比得出的。
可调整喷氨量是由喷氨格栅(AIG)这一脱硝系统的核心部件实现的。其主要特点是在反应器前烟道横截面上布置若干根安装喷嘴的喷氨管,将氨水-空气混合物喷射到烟道截面的不同位置处,使还原剂与烟气在到达催化剂之前按照设计氨氮摩尔比混合。灵活调整的AIG在SCR优化中发挥重要功能,可在烟道截面的2D范围内独立调整各喷点的喷氨量,以匹配此处的NOx浓度。然而,在实际运行中各点喷氨量的控制比较粗放盲目,从而出现局部区域氨过喷的现象,烟道横截面上脱硝入口的氨氮摩尔比分配极度不均衡,进而导致脱硝效率偏低,出口局部氨逃逸过高的问题。主要原因,是由于脱硝出口工况的恶劣,缺乏对出口NOx浓度,NH3浓度等在烟道截面的分布这些关键参数在变机组负荷工况下的实时监测设备和手段。因此,对SCR出口烟道横截面上每一点的NOx和NH3浓度场进行分布式在线实时连续监测,可以指导喷氨分布的调整,对解决脱硝系统局部区域氨逃逸过量、脱硝效率低等问题具有重要意义。
五
氨氮摩尔比分布均匀性优化方案
为了能够掌握每个催化剂模块的出口NOx和NH3浓度。SCR烟气脱硝系统通常约有数十个模块,因此需要测量数十个网格中心点的NOx和NH3浓度。常规的便携式烟气取样方法,由于人工网格法采样,完成脱硝反应器全截面的烟气分布测量预计需要数小时以上,并且由于测量时间过长,机组工况难以维持稳定,测量结果存在较大误差,再者烟气冷凝除水步骤容易造成铵盐堵塞。因此国内SCR烟气喷氨的优化调整工作尚未有较好方案。
浙能技术研究院与宁波海尔欣公司合作,研发出一套基于中红外激光光谱原理测量技术的高精度脱硝氨氮一体化分析仪,可以快速分析同源烟气中的NH3 和NOx浓度,高温烟气只需要进行除尘处理,无需稀释和冷凝除水,对双组分的分析精度均可达0.01ppm量级,更适合针对“超低排放”脱硝技术改造的工程。相比于传统CEMS仪表或电化学分析仪表,激光光谱法更适合于热湿法采样,施工和维护难度低,不受水份和铵盐干扰,准原位式的全自动测量使得采样实时性,规范性,长期运行可靠性和气体检测精度大大提高,具体参数对比见下表3。
表3、传统NOx仪表和激光光谱仪表的特点对比
据选择性催化反应原理,对于每一采样点i处喷入的氨气量NH3in_i,要么与入口的NOx反应消耗掉,要么没有参与反应作为氨逃逸脱出,因此有平衡方程:
NH3in_i= (NOxin_i – NOxout_i)+ NH3slip_i, (1)
两边同时除以NOxin_i,可以得出对于采样点i的脱硝入口氨氮摩尔比为:
NH3in_i/NOxin_i = (1 – NOxout_i/NOxin_i) + NH3slip_i/NOxin_i, (2)
上述等式对反应器所有位置处都适用,其中NOxin_i和NOxout_i分别为采样点处脱硝入口和出口的NOx体积浓度,NH3slip_i是同样位置处的氨逃逸体积浓度。由2式可以看出,氨氮摩尔比即为脱硝效率与NH3slip_i/NOxin_i之和。
氨氮摩尔比分布的测量和优化,可以通过多点测量反应器入口和出口处的NOx和NH3体积浓度来获得,具体操作步骤如下:
氨氮摩尔比分布的测量和优化,可以通过多点测量反应器入口和出口处的NOx和NH3体积浓度来获得,具体操作步骤如下:
1)测量脱硝入口NOx分布。方法a)直接获取正常工况下脱硝入口多点分布的NOx浓度,方法b)短时关闭AIG,测量脱硝出口处多点分布的NOx浓度。方法a)不用担心NOx排放超标,但需要增加脱硝入口采样点的安装施工,方法b)无需额外施工,但NOx排放会在短时超标;
2)开启AIG至原来状态,测量正常脱硝工况下出口NOx和氨逃逸的分布(应通过校准、检修或技改等方式提高SCR系统测量准确性);
3)根据1、2步测量结果以及上述2式,计算出氨氮摩尔比NH3in_i/NOxin_i在脱硝入口的分布;
4)调整AIG各喷嘴的调节阀、流量计,以达到氨氮摩尔比在截面分布均匀性最优化(新建机组在运行前冷态和热态调试中,特别要做好注氨格栅的细调工作和相应实验);
5)逐渐增加整体喷氨量,持续监测出口NOx和氨逃逸分布,使得NOx排放达到脱硝标准,氨逃逸分布均值控制在3ppm以内;
六
测试设备及原理
该方案的核心测量仪器为第二代中红外激光光谱技术,如图4所示,由于NH3和NO分子在中红外的吸收光谱强度远高于近红外的吸收光谱,检测精度比近红外激光气体分析仪高数十倍。仪器不需要长光程吸收即可达到所需精度,解决了近红外激光气体分析仪在现场使用中的长光程气体池维护、稳定可靠性、对光、精度、采样代表性等问题。
图4、NH3(左图)和NO(右图)的中红外吸收谱与近红外吸收谱强度的对比
图5、氨氮一体化分析仪表
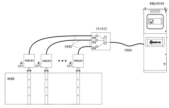
图6、自动化多点分布采样示意图
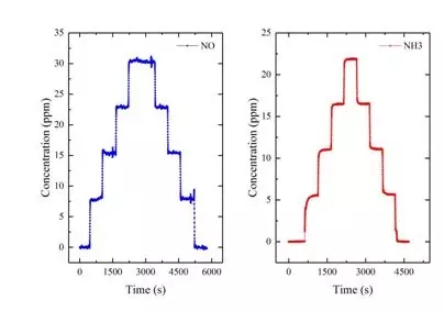
仪器采用全自动多点分布采样方案,可以有效测量每一采样点处的NH3和NOx含量,各点采样时间均匀,消除了人工采样的误差。激光测量法的样气预处理无需冷凝除水,由于内部没有活动部件,抗机械振动能力也远高于CEMS仪表,因此可以在脱硝出口空预器附近进行直接采样测量,无需进入分析小屋。准原位式的测量使得采样的滞后时间控制在十秒以内,提高喷氨反馈控制的实时性。为验证仪器性能,现场对仪表的氨和NOx测量功能进行,浓度阶梯测试,结果曲线如下图7所示:
目前现场实测结果以及喷氨优化的调整工作正在进行中,更详尽结果及讨论留待后续论文中发表公布。
总结
燃煤电厂SCR脱硝装置运行情况直接关系着电厂NOx排放及相关环保电价的获取程度。本文对浙能集团内两台独立机组超低排放改造后SCR脱硝反应器出口NOx分布和逃逸氨浓度进行研究, 发现改造后机组存在脱硝反应器入口流场和出口NOx分布严重不均的情况,说明超低排放改造后机组需重点优化的是入口氨氮摩尔比均匀性这一核心要素。提出一种基于中红外激光光谱分析的氨氮一体化监测方案,采用热湿法在脱硝出口处分布自动取样的方式,适合安装于采样现场,提高了喷氨反馈控制的实时性及系统长期运行可靠性。